luqiaohouqi
发表于2013-11-04
5232人浏览
2人跟帖
等级: 
说明: 1、本图尺寸单位以毫米计。t为管壁厚。 2、本次设计中雨污水管道采用HDPE塑钢缠绕管,管顶覆土H≤4.5m时环刚度为10 KN/m2,管顶覆土H>4.5m时环刚度为12.5 KN/m2。卡箍连接,砂石基础。 3、本次设计中给水...
最新回复:jackyzxj1984 2022-07-25 
wangjunming
发表于2005-11-04
4846人浏览
3人跟帖
等级: 
纵向施工缝,横向施工缝,横向缩缝(假缝型),横向施工缝加传力杆,加边缘筋胀缝(用于新旧路相接触处),传力杆(滑动型)胀缝.
最新回复:wxxxxx110 2022-05-10 
匿名
发表于2021-11-09
211人浏览
1人跟帖
等级: 
本资料为:先张法预应力空心板梁预制场施工平面布置图,包含:5张CAD图纸,节点清晰,推荐下载。一、图纸说明:此桥左侧设一处预制场,占地3000m 。空心板梁达到规定的强度后.从制梁台座横移到存梁场,采用钢轨滑道,3-5T 卷扬机牵...
最新回复:清平平老师 2021-11-09 
匿名
发表于2021-11-09
63人浏览
1人跟帖
等级: 
本资料为:钢筋混凝土系杆拱桥施工顺序示意图(CAD),包含1~10施工顺序示意图,节点清晰,推荐下载参考学习。施工程序说明:一:塔架、缆索及锚锭施工。二:1、桥台钻孔桩及承台施工2、拱脚施工并预埋钢板。3、塔架基础及锚锭施...
最新回复:清平平老师 2021-11-09 
匿名
发表于2021-11-08
57人浏览
1人跟帖
等级: 
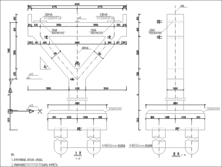
资料三角形桥墩Y型桥墩构造设计钢筋图,含4座桥梁三角形桥墩Y型桥墩设计图纸,共计36张CAD。节点清晰,同类设计可学习参考。工程概况三角形桥墩结构包括主梁盖梁和一个Y型桥墩,主梁盖梁设置在一个Y型桥墩上共同组成。桥梁荷载等...
最新回复:向前chonga 2021-11-08 
匿名
发表于2021-11-08
125人浏览
1人跟帖
等级: 
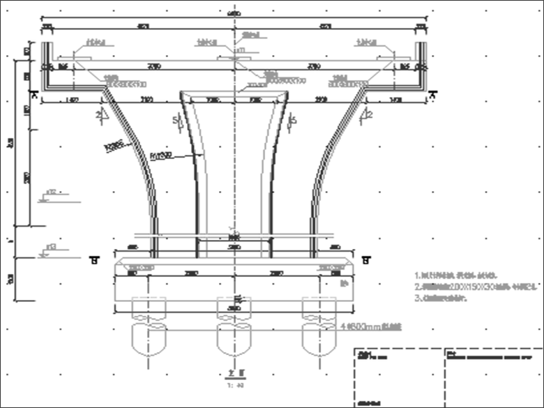
资料花瓶形桥墩构造设计钢筋图,含三座桥梁不同高度花瓶墩设计图纸,共计32张CAD。节点清晰,同类设计可学习参考。工程概况荷载等级:公路-Ⅱ级。跨径布置:3×13+(13+2×15+13)+3×13m、( 11+12+3×13)+4×13+(3×13+12+11)m、...
最新回复:向前chonga 2021-11-08 
匿名
发表于2021-11-06
222人浏览
1人跟帖
等级: 
资料各类桥梁粘贴钢板加固法图纸汇总,共计46张CAD。节点清晰,推荐学习参考。内容目录双柱墩盖梁粘贴钢板加固独柱墩盖梁粘贴钢板加固独柱墩盖梁负弯矩粘贴钢板加固盖梁受拉区粘贴钢板加固盖梁侧粘贴钢板加固盖梁粘贴钢板防盗处...
最新回复:向前chonga 2021-11-06 
匿名
发表于2021-11-06
50人浏览
1人跟帖
等级: 
本资料为各类桥梁粘贴碳纤维布加固设计图,CAD格式,共40张。节点清晰,推荐学习参考。图纸目录台柱粘贴碳纤维布加固微弯板贴碳纤维加固T构悬臂桥面板粘贴碳纤维布加固T梁跨中粘贴碳纤维布加固桥面板底粘贴碳纤维布加固方案现浇...
最新回复:向前chonga 2021-11-06 
匿名
发表于2021-11-02
183人浏览
1人跟帖
等级: 
资料桥梁中分带水泥隔离墩CAD图,共计1张。设计于2019年,节点清晰,同类设计可借鉴。图纸说明轮廓标支架采用镀锌普通碳素薄钢板制作;附着于混凝土护栏上的轮廓标用膨胀螺栓连接,行车方向右侧为白色,行车方向左侧为黄色;4、...
最新回复:向前chonga 2021-11-02 
匿名
发表于2021-11-02
142人浏览
1人跟帖
等级: 
资料钢制柱式双管防撞护栏构造图,共计4张CAD,设计于2019年。节点清晰,同类工程可借鉴。图纸简介路侧采用钢制柱式防撞栏杆,栏杆钢管钢材采用Q345B钢,立柱采用铸钢(ZG310-570)构件。预埋件之间采用螺栓连接。螺栓和预埋件的...
最新回复:向前chonga 2021-11-02 
匿名
发表于2021-10-29
168人浏览
1人跟帖
等级: 
资料扶壁式挡土墙施工图设计,共4张CAD图纸,附计算书9页。设计于2019年。同类设计可参考。工程概况设计汽车荷载:城-A级。墙身总高: 9.000(m),墙宽: 0.550(m),墙趾悬挑长DL: 1.550(m),墙踵悬挑长DL1: 5.100(m),底板高DH: 0...
最新回复:向前chonga 2021-10-29 
匿名
发表于2021-10-29
74人浏览
1人跟帖
等级: 
资料桩板挡墙设计图,共5张CAD。设计于2019年。节点清晰,推荐学习参考。挡土桩直径12、16、25。桩混凝土|挡板|压顶梁混凝土强度等级均为C30。桩主筋保护层8.0cm,挡板、压顶梁钢筋净保护层2.5cm。钢筋HRB400、HPB300。图纸目录...
最新回复:向前chonga 2021-10-29 
匿名
发表于2021-10-29
60人浏览
等级: 
折背式路堑重力式挡墙大样图共计1张CAD,设计于2019年。挡土墙设计汽车荷载:城市-A级,采用C25素混凝土浇筑,挡土墙基底摩擦系数0.4。填料优先选用砂性土,若砂性土填料缺乏可采用粘性土,但应掺入碎石|粗砂等。墙背填料内摩擦...
最新回复:匿名 2021-10-29 