本小组主要分享给排水工程资料,欢迎下载和上传相关资料。
- 51450成员
- 3469主题
- 4377回复
- 0热度

发表于2011-12-29
4608人浏览
2人跟帖
等级: 
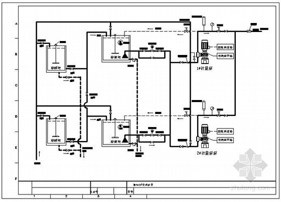
某水厂加药工艺图
最新回复: 2017-06-10 
发表于2011-09-30
7640人浏览
3人跟帖
等级: 
污水处理厂高程图、流程图及各构筑物详图
最新回复: 2015-12-25 
发表于2012-06-04
3023人浏览
1人跟帖
等级: 
泳池按摩池说明流程图、游泳池水体413t,循环周期6小时,循环流量70t/h,循环采用自动控制,游泳池采用臭氧消毒与氯消毒结合方式。图纸包括泳池按摩池说明流程图、设计说明。
最新回复: 2012-06-04 
发表于2011-10-26
2847人浏览
1人跟帖
等级: 
二级反渗透工艺流程图
最新回复: 2011-10-26 
发表于2011-10-17
3904人浏览
1人跟帖
等级: 
各种纯水处理工艺流程图包括有锅炉、食品、医药等等
最新回复: 2011-10-17 
发表于2011-09-30
4578人浏览
1人跟帖
等级: 
海水产品加工废水处理工艺流程图
最新回复: 2011-09-30 
发表于2008-04-09
6037人浏览
2人跟帖
等级: 
室内排水系统安装工艺流程
最新回复: 2011-07-08 
发表于2009-09-23
4271人浏览
1人跟帖
等级: 
本流程图为某省安装工程公司流程图,供大家交流学习使用。
最新回复: 2009-09-23 
发表于2008-12-01
4915人浏览
1人跟帖
等级: 
泥水平衡机械顶管施工工艺流程
最新回复: 2008-12-01 
发表于2008-11-26
7061人浏览
1人跟帖
等级: 
市政排水管道施工流程图 word格式
最新回复: 2008-11-26 
发表于2008-08-26
7254人浏览
1人跟帖
等级: 
工艺管道安装施工工序流程图
最新回复: 2008-08-26 
发表于2008-06-30
4204人浏览
1人跟帖
等级: 
介绍皮革生产工艺过程所产生的废水,及其处理工艺流程介绍。
最新回复: 2008-06-30 
发表于2008-04-23
5090人浏览
1人跟帖
等级: 
锅炉安装施工流程图
最新回复: 2008-04-23 
发表于2008-04-09
5561人浏览
1人跟帖
等级: 
室内消防系统安装工艺流程
最新回复: 2008-04-09 
发表于2008-04-09
6940人浏览
1人跟帖
等级: 
室内给水系统安装工艺流程
最新回复: 2008-04-09 
发表于2008-04-09
3202人浏览
1人跟帖
等级: 
某大厦项目安全目标管理流程图
最新回复: 2008-04-09 
发表于2008-04-09
3772人浏览
1人跟帖
等级: 
某大厦卫生洁具安装工艺流程图
最新回复: 2008-04-09 
发表于2008-04-08
4385人浏览
1人跟帖
等级: 
顶管的施工工艺流程
最新回复: 2008-04-08 
发表于2008-03-31
3239人浏览
1人跟帖
等级: 
混流式水轮机流程图
最新回复: 2008-03-31 
发表于2008-03-31
2533人浏览
1人跟帖
等级: 
水力机械辅助设备系统安装流程图
最新回复: 2008-03-31 