节点详图,公路铁路、桥梁隧道、地铁轨交、市政工程等的分部分项工程节点详图设计资料,欢迎路桥及市政同行们下载和上传相关资料。
- 137721成员
- 5642主题
- 7054回复
- 0热度

发表于2011-12-05
1610人浏览
2人跟帖
等级: 
分离式双洞隧道机电设备断面竣工节点详图
最新回复: 2016-11-11 
发表于2009-03-11
13343人浏览
2人跟帖
等级: 
包括:车站施工总平面布置图 盾构始发井施工平面布置 盾构始发井结构施工平面布置图
最新回复: 2016-11-07 
发表于2011-12-27
6000人浏览
2人跟帖
等级: 
匝道桥梁路灯基础节点详图
最新回复: 2016-05-11 
发表于2014-07-24
2831人浏览
2人跟帖
等级: 
主筋净保护层厚为5cm。本图适用于Ⅳ级围岩地质条件较差路段,地质条件较好路段衬砌不需设置钢筋。 ……共计2张,设计于2008年
最新回复: 2016-04-15 
发表于2012-09-20
1731人浏览
2人跟帖
等级: 
宜万铁路隧道正洞3m帷幕注浆设计图
最新回复: 2016-04-06 
发表于2012-09-20
1893人浏览
2人跟帖
等级: 
宜万铁路隧道正洞5m全断面径向注浆设计图
最新回复: 2016-04-06 
发表于2012-09-20
1530人浏览
2人跟帖
等级: 
宜万铁路隧道正洞8m帷幕注浆设计图
最新回复: 2016-04-06 
发表于2014-11-18
3809人浏览
2人跟帖
等级: 
φ108大管棚+φ42注浆小导管及格栅钢架布置图 单排小导管及格栅钢架布置图 单排小导管及格栅钢架布置图(砂卵石地层) 双排小导管及格栅钢架布置图(砂卵石地层) 双排小导管及格栅钢架布置图 ……共计4张,...
最新回复: 2016-04-06 
发表于2014-11-24
3046人浏览
2人跟帖
等级: 
1.本图尺寸除钢筋直径以毫米计,余均以厘米计。 2.钢筋砼管采用离心成型,钢筋采用甲级冷拔低炭钢筋。 图纸含: 中央排水沟每延米主要工程数量表 Φ40cm钢筋砼管材料表(一个管节) Φ40钢筋砼管节钢筋构造图...
最新回复: 2016-04-06 
发表于2014-11-24
2311人浏览
2人跟帖
等级: 
局部注浆堵水适用于灰岩段超前探水总水量小于10m /h,但个别探水孔出水量大于2m /h的情况。径向止水方案用在破碎带地段,且在地下水不影响施工安全的情况下使用。钢管(取代系统锚杆)采用外径42mm、壁厚4mm热轧无缝钢管,钢管前端...
最新回复: 2016-04-06 
发表于2015-01-05
2252人浏览
2人跟帖
等级: 
采用喷锚构筑法修建隧道。监控量测作为施工工序中不可缺少内容,它不仅监测各施工阶段围岩和支护动态,确保施工安全,而且可为调整初期支护设计参数,确定二次衬砌和仰拱的施作时间,了解施工对附近建筑物的影响,提供反馈信息。...
最新回复: 2016-04-06 
发表于2015-03-05
7755人浏览
2人跟帖
等级: 
隧道全长480m,其中明洞长6m,暗洞长474m。明洞按明挖施工,暗洞按新奥法(NATM)施工。 路基排水沟钢筋砼管采用离心成形,钢筋采用甲级冷拔低碳钢筋。根据实际中央暗井设置情况预制好调整管节。 中央暗井兼做沉沙井。暗井...
最新回复: 2016-04-06 
发表于2015-04-02
2773人浏览
2人跟帖
等级: 
适用于隧道洞口加强段及断层破碎带。 型钢拱纵向间距0.8米,采用φ22钢筋联接,联接钢筋环向间距为1米,型钢支撑与架立钢板采用焊接, 型钢支撑与联接钢板采用焊接,联接钢板间采用螺栓联接。 图纸含: 联接钢板大样...
最新回复: 2016-04-06 
发表于2011-08-30
1627人浏览
2人跟帖
等级: 
3.3 隧道结构设计 3.3.1 洞口设计 根据本隧道的特点,并结合路基及进出口地形地貌、工程地质、水文条件,在充分考虑隧道进出口综合排水的情况下,尽量减少明洞的开挖并考虑施工开挖边仰坡的稳定性、本着“早进晚出”的原...
最新回复: 2016-04-01 
发表于2014-11-24
3480人浏览
2人跟帖
等级: 
注: 1.本图尺寸均以cm为单位。环向排水沟采用φ50mmHDPE单壁打孔波纹管,每10米或每个施工缝附近设置1道,设置在锚喷支护和土工布之间。对于Ⅳ、Ⅴ级围岩区段及富水区段拱部局部渗水较大形成迳流区段,环向间距1.0~3.0m,...
最新回复: 2016-03-11 
发表于2011-12-26
1157人浏览
2人跟帖
等级: 
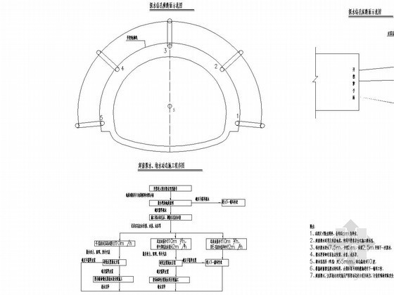
复合式衬砌隧道局部断面预注浆堵水节点详图
最新回复: 2016-03-06 
发表于2012-09-20
1896人浏览
2人跟帖
等级: 
宜万铁路隧道正洞超前预注浆止浆墙设计图
最新回复: 2016-03-06 
发表于2012-09-20
2117人浏览
2人跟帖
等级: 
宜万铁路隧道平导超前预注浆止浆墙设计图
最新回复: 2016-03-06 
发表于2014-07-24
2360人浏览
2人跟帖
等级: 
注: 1.本图尺寸除钢筋直径以mm计外,余均以cm计。 2.注浆参数建议值为: 水泥浆水灰比0.5~1.0; 水泥水玻璃双液浆体积比1:0.6~1:0.8; 水玻璃浓度控制在35Be。 注浆压力控制在0.5~1.0Mpa,终...
最新回复: 2016-01-24 
发表于2014-11-24
2557人浏览
2人跟帖
等级: 
超前锚杆预支护方案图:适用于Ⅳ级围岩深埋一般段,超前锚杆纵向排距2.0米。依据新奥法原理,采用复合式衬砌。采用早强砂浆锚杆,钻孔直径应大于杆体直径15mm,锚杆杆体插入孔内的长度不得短于设计长度的95%。超前锚杆应保持至少...
最新回复: 2016-01-24 