meimei90
发表于2017-08-01
7353人浏览
2人跟帖
等级: 
1、本图尺寸除注明外均以厘米为单位。2、人行道砖建议采用荷兰砖。3、人行道砖尺寸为10cm×20cm,厚度为6cm。4、盲道砖颜色为黄色。……共计1张。市政道路人行道铺装大样图(10cm×20cm黄色人行道砖)
最新回复:smilesweet 2018-03-31 
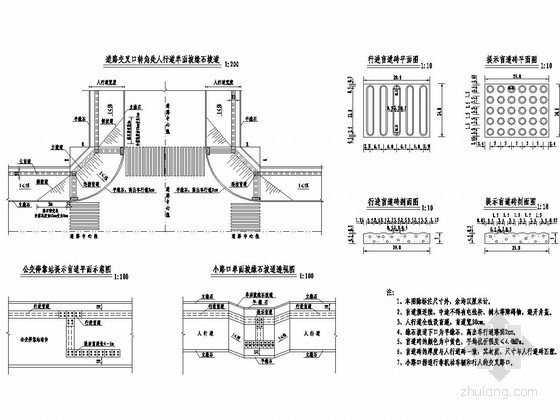
小小肥实
发表于2013-11-14
6343人浏览
6人跟帖
等级: 
1、盲道须连续,中途不得有电线杆、树木等障碍物,避开井盖。 2、人行道全线设盲道,盲道宽30cm。 3、缘石坡道下口为平缘石,高出车行道路面2cm。 4、盲道砖的颜色为中黄色,平均抗折强度≤4.0MPa。 5、盲道砖的...
最新回复:lovein2002 2018-03-24 
ksah
发表于2016-01-21
4259人浏览
3人跟帖
等级: 
一、适用条件 1、适宜于草木生长的土质、风化软质岩,且边坡高度小于3.0m的路堤、路堑边坡。 2、路堑地段:边坡高度H
最新回复:juicejuicy 2018-03-16 
83278654
发表于2015-03-20
1959人浏览
3人跟帖
等级: 
图纸为高填深挖路基高填冲击碾压处治一般设计图。 …… 共一张。
最新回复:zhuqiang1001 2018-02-07 
mail333
发表于2015-11-16
1909人浏览
2人跟帖
等级: 
本图纸为公路工程特殊路基处理设计详图,具体为湿喷桩处理桥头软基的情况,共1张。
最新回复:liuwenju1234 2018-01-29 
mail333
发表于2015-11-16
2177人浏览
2人跟帖
等级: 
本图纸为公路工程特殊路基设计图,主要为砂垫层+土工布堆超载预压内容,共1张。
最新回复:liuwenju1234 2018-01-29 
jianxuefute
发表于2014-06-27
14542人浏览
6人跟帖
等级: 
纵缝均设拉杆,横缝在临近胀缝或路面自由端的三条缩缝内设传力杆.相邻的接缝相错时在接缝相对的一侧板边加设防裂钢筋。板块接缝处封缝材料(填缝料)采用与混凝土面板缝壁粘接力强、回弹性好、能适应混凝土板收缩、不溶于水和不渗...
最新回复:大檐帽 2018-01-12 
kweihong135
发表于2017-08-02
4271人浏览
2人跟帖
等级: 
矩形盖板排水沟盖板大样图盖板钢筋构造图每延米钢筋数量表盖板平面图泄水孔布置图每延米长工程数量表泄水孔大样图……1、本图尺寸以厘米为单位,绘图比例为1:20;B为中分带宽度。2、本图适用于铁路桥下中分带排水设计。3、沟型开...
最新回复:wendyliao 2018-01-09 