匿名
发表于2021-03-11
214人浏览
1人跟帖
等级: 
本资料为[安徽]室外步行街变电所变配电及二次设备图。概况:本工程为安徽某达广场购物中心及室外商业街工程,由室外商业步行街、室内商业步行街、百货楼、综合楼、娱乐楼、地下超市、地下车库及A、B二座三十三层塔式写字楼共同组...
最新回复:二喵逗豆 2021-03-11 
匿名
发表于2021-03-03
125人浏览
1人跟帖
等级: 
本资料为贵阳新建线路工程二次接线图。概况:本册图为某所110kV变电站外线接入工程220kVXXX~某所110kV变新建线路工程二次接线图,本期在220kVXX变扩建1个110kVGIS间隔,完善相应的二次及五防系统。本期在220kVXX增加1面110kV线...
最新回复:二喵逗豆 2021-03-03 
匿名
发表于2021-02-05
356人浏览
1人跟帖
等级: 
本资料为[四川]变电站供电工程专项图纸。概况:本工程位于四川省广汉市,主要由7栋建筑组成。包括1~4号建筑为丙类仓库,5号建筑为辅助用房,6号建筑为门卫一,7号建筑为门卫二。本子项为变电站供电设计。设计范围:10/0.4kV变配电...
最新回复:二喵逗豆 2021-02-05 
匿名
发表于2021-02-01
210人浏览
1人跟帖
等级: 
本资料为贵州110kV变电站外线接入工程、用户变110kV线路工程施工图。概况:本工程为贵州贵阳某110kV变电站外线接入工程、用户变110kV线路工程。输送容量:2×50MVA电缆路径长:本工程新建电缆路径长2×1.63km。回路数:双回路根...
最新回复:二喵逗豆 2021-02-01 
匿名
发表于2021-01-25
308人浏览
1人跟帖
等级: 
本资料为[辽宁]室外高低压线路及道路照明图纸。概况:本工程为辽宁大连某汽车产业配套园,本子项为室外工程供电设计,主要包括高低压线路及道路照明平面布置。路灯及电缆线路距离路边一般为:0.65~0.8m,电缆穿管埋地敷设埋深为1...
最新回复:二喵逗豆 2021-01-25 
匿名
发表于2021-01-15
156人浏览
1人跟帖
等级: 
本资料为[湖南]孵化基地室外供电专项施工图。概述: 本工程为湖南长沙某孵化基地项目。本子项为室外供电。 10KV电源进线具体进线位置由供电部门确定。 路灯灯柱中心距路边0.6m,采用相序相间的接线方式。路灯采用穿∅50PVC管埋地...
最新回复:二喵逗豆 2021-01-15 
匿名
发表于2021-01-08
808人浏览
2人跟帖
等级: 
本资料为广东某机场配套图纸电力管沟工程图纸(土建)。概述:本工程为广东某机场综合保税区南区周边配套道路项目,为保税区南区的配套服务道路。本工程天X庄路东的电力管沟已满足供电部门需求,维持现状,在太X北路的新建电力管...
最新回复:windytou 2022-02-11 
匿名
发表于2021-01-08
624人浏览
1人跟帖
等级: 
本资料为[广东]机场周边配套道路照明专项图纸(2020含地勘)。概况:本工程为广东某机场综合保税区南区周边配套道路项目,为保税区南区的配套服务道路。本工程新建机动车道路面结构采用沥青混凝土路面结构。本工程对天X庄路东的...
最新回复:二喵逗豆 2021-01-08 
匿名
发表于2021-01-06
734人浏览
1人跟帖
等级: 
本资料为[广东]学校10kV电力工程竣工图。概况:本工程为广东深圳某学校新建4台800kVA+1台315kVA变压器工程。供电电压等级:采用10KV单回路电源供电。电源接入方式:电源1: 220kV变电站F43中集线供电。 电源2:基建项目110kV变电...
最新回复:二喵逗豆 2021-01-06 
匿名
发表于2020-12-10
299人浏览
1人跟帖
等级: 
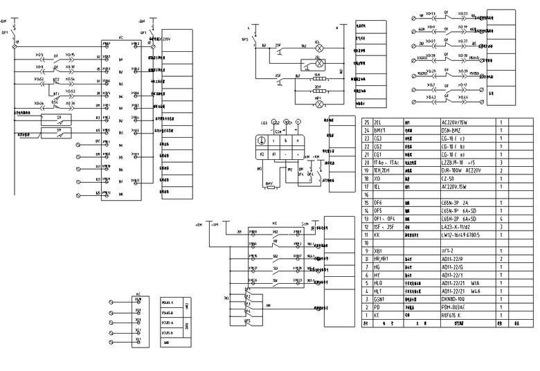
本资料为湖南长沙医院医疗综合楼配电增容工程图纸。概况: 本工程为湖南省长沙市某医院-医疗综合楼配电增容工程。 工程原有状况:工程原设有高压中心配电间1座,分配电间4座,10kV采用双电源,单母线分段接线,两路电源同时运行...
最新回复:二喵逗豆 2020-12-10 
匿名
发表于2020-12-09
169人浏览
1人跟帖
等级: 
概况:本工程为湖南省长沙市青少年宫-增容工程配套通信终端建设及光缆线路敷设。本工程新建局端设备(OLT)、通信终端(ONU)各1套,新建48芯普通无金属阻燃光缆900米。根据《配网自动化技术导则》,本工程通信通道建设采用光纤通...
最新回复:二喵逗豆 2020-12-09 
匿名
发表于2020-12-09
83人浏览
1人跟帖
等级: 
本资料为湖南长沙青少年宫增容工程总线路图纸。概况:本工程为湖南省长沙市青少年宫-增容工程。新建配电间采用10KV双电源供电,一回电源由110KV营盘变电站304间隔10KV新出一回经新设智能环网柜电缆供电,一回电源由110KV营盘变电...
最新回复:二喵逗豆 2020-12-09 
匿名
发表于2020-12-09
242人浏览
1人跟帖
等级: 
本资料为湖南长沙青少年宫专变中心配电间-配电图纸。概况:本项目为湖南省长沙市青少年宫配电工程。 总建筑面积约54294.2平方米,其中:地上建筑面积34051.3平方米,地下建筑面积20242.9平方米。专变容量:拆除原有2台400KVA变压...
最新回复:二喵逗豆 2020-12-09 
匿名
发表于2020-12-07
183人浏览
1人跟帖
等级: 
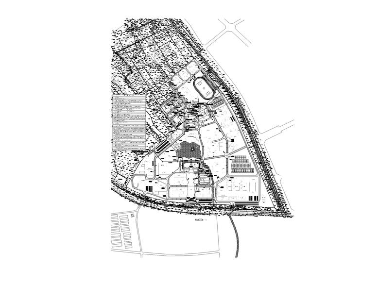
本资料为四川职业学院总平面电气设计图纸。概况:本工程为四川省某职业学院一期,本子项为总平面设计,总用地面积349627.63m²,总建筑面积112437.6m²。强电:从市政电网两个开关站各引来一路10kV高压电源至高压配电站,供本工...
最新回复:二喵逗豆 2020-12-07 
匿名
发表于2020-12-03
459人浏览
等级: 
本资料为内蒙古道路亮化工程施工图。概况:本工程为内蒙古锡林浩特市重庆路道路亮化工程为南北向主干路。全长559.888米,双臂高压钠灯26套,中杆灯2套。采用半截光型灯具,平均照度大于20LX,照度均匀度不低于0.4。 路灯采用分散...
最新回复:匿名 2020-12-03 
匿名
发表于2020-11-23
64人浏览
1人跟帖
等级: 
本资料为湖南城域传送网设计图纸审核2018年(一甲城、深水港机房)新建管道施工图桃源县理工港-三阳(三阳机房)新建管道施工图新建管道路由图新建管道施工图
最新回复:会武功的猫89 2020-11-23 
匿名
发表于2020-11-13
259人浏览
等级: 
本资料为青海师范大学室外综合管沟电气初设图纸。概况:本工程为青海师范大学室外综合管沟有关的电气设计,项目位于青海市,本规划校区占地86.89公顷,规划建筑面积约45.32万平方米。全长约3666米,布设在道路一侧绿化带内。设计...
最新回复:匿名 2020-11-13 
匿名
发表于2020-11-13
220人浏览
等级: 
本资料为青海师范大学新校区室外电气管网设计图纸。概况:本工程为青海师范大学新校区室外电气管网设计,项目位于青海市,本规划校区占地86.89公顷,规划建筑面积约45.32万平方米。本工程在校园动力中心修建10kV变电站(开闭所)...
最新回复:匿名 2020-11-13 
匿名
发表于2020-11-13
399人浏览
1人跟帖
等级: 
本资料为青海师范大学校区内道路照明工程专项图纸。概况:本项目为青海师范大学校区内道路照明工程。1)光源与灯具:通过对各种光源产品样本的性能介绍及实际使用情况,并参考各类道路照明效果,本次照明选用LED光源(100W),光效...
最新回复:二喵逗豆 2020-11-13 