67485132
发表于2004-11-12
5149人浏览
1人跟帖
等级: 
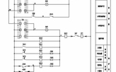
系统集成商提供的江森BAS控制原理图,包括水泵控制、空调控制、照明控制、变配电控制等,共16张图纸。。
最新回复:linjianming 2004-11-12 
xjcjt
发表于2004-11-08
3805人浏览
1人跟帖
等级: 
该图纸为电厂和石化行业发电锅炉或者自备电站的吹灰设备控制原理图,控制设备的主体部分为PLC加上位机,系统本身其他参与控制设备为电磁阀和自研检测设备。
最新回复:linjianming 2004-11-08 