艺术设计
工程技术
机电设备
项目与管理
BIM学院
发帖说明
本小组需要加入才可以发帖
关注
发资料
了解更多
还可以输入 40 字
加入小组后才可以发帖哦,现在就加入?
检索到1252条内容
0
7.5KW变频恒压供水控制原理图(西门子)
mihoutao2012 发表于2011-06-24 3514人浏览 1人跟帖 等级: 来自:电力工程施工图
变频恒压供水控制原理图
lsz35 发表于2011-06-13 4434人浏览 1人跟帖 等级: 来自:电力工程施工图
变频器M430控制原理图
xiaozhang111 发表于2011-06-07 2570人浏览 1人跟帖 等级: 来自:电力工程施工图
变频恒压供水电气原理图(一拖一)
rockefeller 发表于2011-06-03 6991人浏览 2人跟帖 等级: 来自:电力工程施工图
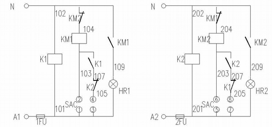
变频恒压供水电气原理图(一拖二)
rockefeller 发表于2011-06-03 11169人浏览 2人跟帖 等级: 来自:电力工程施工图
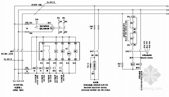
变频恒压供水控制原理图(一拖四)
rockefeller 发表于2011-05-31 4653人浏览 3人跟帖 等级: 来自:电力工程施工图
变频恒压供水控制原理图(一拖三)
rockefeller 发表于2011-05-31 6705人浏览 2人跟帖 等级: 来自:电力工程施工图
变频恒压供水控制电气原理图(一拖六)
rockefeller 发表于2011-05-30 3126人浏览 2人跟帖 等级: 来自:电力工程施工图
加压泵控制原理图(一用一备)
电气aaa 发表于2011-05-27 3867人浏览 2人跟帖 等级: 来自:电力工程施工图
双电源转换控制原理图
goodluck_111 发表于2011-05-27 2834人浏览 1人跟帖 等级: 来自:电力工程施工图
18.5kW星三角起动控制原理图
电气aaa 发表于2011-05-27 2984人浏览 2人跟帖 等级: 来自:电力工程施工图
UPS控制原理图
电气小工 发表于2011-05-27 4212人浏览 2人跟帖 等级: 来自:电力工程施工图
压载泵组合软起动器原理图
电气小工 发表于2011-05-27 1590人浏览 1人跟帖 等级: 来自:电力工程施工图
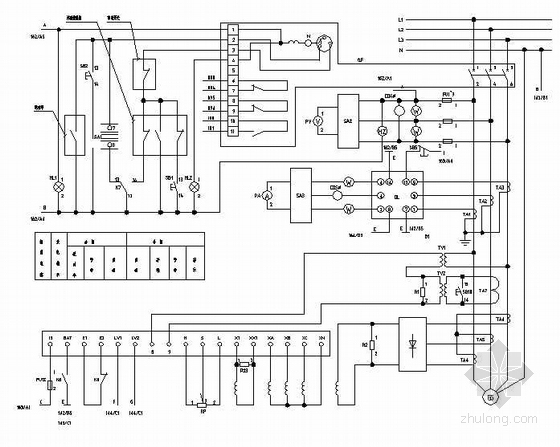
变频柜控制原理图
fhqirgwu0f 发表于2011-05-09 2294人浏览 1人跟帖 等级: 来自:电力工程施工图
35KV变电站厂用变保护单元原理图
电气aaa 发表于2011-05-03 1651人浏览 1人跟帖 等级: 来自:电力工程施工图
柴油发电机微机自动化机组控制原理图
工地美女 发表于2011-04-29 3533人浏览 1人跟帖 等级: 来自:电力工程施工图
消火栓泵控制原理图(二用一备)
工地美女 发表于2011-04-29 3067人浏览 1人跟帖 等级: 来自:电力工程施工图
饮水机电气控制原理图
baiyongzhu 发表于2011-04-28 4115人浏览 1人跟帖 等级: 来自:电力工程施工图
变频调速恒压给水设备控制原理图
crystal_000 发表于2011-04-27 1977人浏览 2人跟帖 等级: 来自:电力工程施工图
大电流热继电器保护原理图
any_thing 发表于2011-04-22 3324人浏览 1人跟帖 等级: 来自:电力工程施工图
自动控制
发电输电
变电配电
申请加入管理团队
组长
非尔不爱
管理员
我是你的陛下
怜香惜玉888
长时间侧柏
设计师不读书
饿伟大的
选择想要与"电力工程施工图"交换链接的小组
忘记选择小组啦,小伙伴们很困惑,还是选一个再交换吧~
个人擅长:
专业
艺术设计类
适用于建筑学专业,在设计机构从事建筑设计和城市规划的人员
适用于从事室内装饰装修设计的人员
适用于从事园林景观规划与设计的人员
适用于从事室内外照明设计与施工的人员
适用于从事三维建模、渲染及后期制作的人员
工程技术类
适用于在设计机构从事建筑结构设计与科研的专业人员
适用于从事房屋建筑的土建施工、装饰施工、钢结构与幕墙施工人员
适用于从事路桥与市政工程的设计、施工的人员
适用于从事勘察与岩土工程的设计、施工的人员
适用于从事水利水电工程设计、施工、管理的专业人员
机电设备类
适用于从事输配电、建筑电气与智能化的设计、施工的人员
适用于从事给排水、消防、水处理的设计、施工人员
适用于从事暖通、空调、动力、制冷的设计、施工的人员
造价与管理类
适用于从事房地产策划、开发与管理的人员
适用于造价工程师及概预算人员
从事房建、市政路桥、园林、水电安装的监理人员
从事工程技术、经营、质量、安全管理的专业人员
其他类别
销售建筑材料与建筑设备的专业人员
退出管理团队
您将失去的身份,确定退出?