chengyu01
发表于2004-12-13
3047人浏览
1人跟帖
等级: 
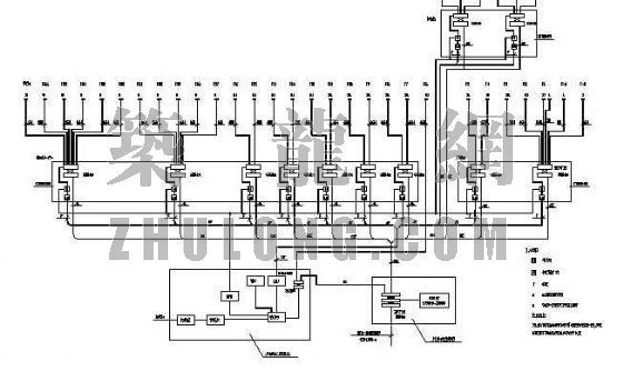
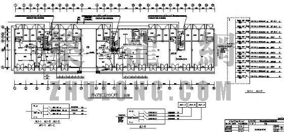
本套图纸包括各层有线电视、网络、电话、楼宇对讲、屋顶避雷、基础接地平面图及各弱电系统图
最新回复:linjianming 2004-12-13 
NorthernStar
发表于2004-12-13
1966人浏览
1人跟帖
等级: 
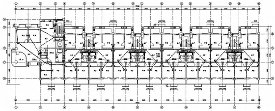
本工程为一类普通高层住宅建筑,总共十九层。其中一~十九层均为住宅。屋顶设有电梯机房和水箱间。本工程结构类型为钢筋混凝土剪力墙框架结构。
最新回复:linjianming 2004-12-13 
tsy0220
发表于2004-11-26
3142人浏览
1人跟帖
等级: 
精灵8000火灾报警系统是一个高度智能化的系统,可适用于各种用途的建筑设计的任何形式的火灾自动报警及消防联动的控制要求,非常灵活,在设计上亦十分简单。
最新回复:linjianming 2004-11-26 