从事通风、净化除尘的小伙伴们,你有什么想问的,或是想吐槽的,在这里你随意,赶快加入我们吧!
- 48921成员
- 3805主题
- 11212回复
- 0热度

发表于2020-10-09
1695人浏览
4人跟帖
来源:建筑水电知识平台如有侵权,请联系删除通病1:风管系统采用组合式法兰连接时接口漏风(1)四块管片的下料咬口缝留量要控制在标准以内(指雄榫和雌榫的咬口流量)。低规范要求:风管必须通过工艺性的检测或验证,其强度和严...
最新回复: 2021-01-31 
发表于2021-01-29
18人浏览
1人跟帖
最新回复: 2021-01-29 
发表于2021-01-29
35人浏览
1人跟帖
最新回复: 2021-01-29 
发表于2021-01-29
19人浏览
1人跟帖
随着国家经济持续快速发展以及政府对民生问题的高度重视,我国的医院建设处在高速发展阶段,大型综合医院越来越多,单体规模动辄5~ 6万m2,10多万m2的规模也不鲜见。大型综合医院建筑布局复杂,特殊功能科室多,无外围护结构的内...
最新回复: 2021-01-29 
发表于2021-01-29
31人浏览
1人跟帖
最新回复: 2021-01-29 
发表于2021-01-29
21人浏览
1人跟帖
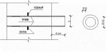
通病一现象:风管穿越临空墙、密闭墙、楼板时随意预留混凝土洞。分析:凡穿越上述墙体的管道都应按规范要求做好防护密闭处理,这是人防工程施工及验收规范的基本要求和关键重点内容。如果不按相关规定预留混凝土孔洞将导致事后无...
最新回复: 2021-01-29 
发表于2013-12-23
20325人浏览
222人跟帖
《通风与空调工程施工质量验收资料大全》———————————————————————————*资料简介:本文件为PDF格式,这份资料包含了四十多份表单,全部都是通风、空调工程的施工质量验收方面的表单资料,非常具有使用...
最新回复: 2021-01-25 
发表于2021-01-22
40人浏览
在新风行业,有一句话广为流传,“三分看质量,七分看安装”。新风主机的性能是决定换气效果与室内空气质量的主要因素,但是在使用过程中,新风系统的安装则是影响新风效果的决定性因素。同一款新风系统,在不同的施工条件下,小...
最新回复: 2021-01-22 
发表于2021-01-20
1105人浏览
1人跟帖
最新回复: 2021-01-20 
发表于2021-01-20
130人浏览
1人跟帖
通病一现象:风管穿越临空墙、密闭墙、楼板时随意预留混凝土洞。分析:凡穿越上述墙体的管道都应按规范要求做好防护密闭处理,这是人防工程施工及验收规范的基本要求和关键重点内容。如果不按相关规定预留混凝土孔洞将导致事后无...
最新回复: 2021-01-20 
发表于2021-01-05
668人浏览
4人跟帖
来源:机电人脉版权归原作者所有,侵权请联系删除
最新回复: 2021-01-20 
发表于2018-06-25
1891人浏览
4人跟帖
雾霾、流感、肺结核等疾病的发生,使中国对室内空气质量给予了高度的关注。中央新风系统是建筑科技发展的必然选择,建筑节能离不开新风系统,人们的健康离不开新风系统。随着越来越多的家庭选择安装中央新风系统,中央新风早已成...
最新回复: 2021-01-19 
发表于2021-01-19
20人浏览
不知不觉间,加湿器在中国家庭的保有量也越来越高了。尤其在离不开空调的情况下,加湿器是维持室内舒适湿度的必备小电器。但是加湿器如果不注重这几个问题的话,很有可能造成呼吸道感染,重则危害生命!1.超声波加湿器容易导致发...
最新回复: 2021-01-19 
发表于2021-01-18
119人浏览
1人跟帖
施工准备:材料要求:风管部件与消声器的材质、厚度、规格型号应严格按照设计要求及相关标准选用,并应具有出厂合格证明书或质量鉴定文件。风管部件与消声器制作材料,应进行外观检查,各种板材表面应平整,厚度均匀,无明显伤痕...
最新回复: 2021-01-18 
发表于2021-01-18
107人浏览
1人跟帖
为了适应医院在功能上的不断发展,暖通设计必须对新技术充分吸纳,适应医院发展的要求。近年来医疗技术不断提高,新型医疗设备、设施相继出现,把原来很复杂的检查治疗变成微创甚至无创技术,DSA(D igitalSubtraction A ngiogr...
最新回复: 2021-01-18 
发表于2021-01-08
36人浏览
随着人们生活水平的不断提升,人们对家居空气的质量要求也不断提高。中央空调、新风系统,逐渐在各个家庭中普及,但在实际使用过程中,面对潮湿的空气,单纯依托新风系统的空气置换,来平衡室内外的空气湿度,难以达到室内的宜居...
最新回复: 2021-01-08 
发表于2021-01-05
127人浏览
1人跟帖
◆ 关于风管制作安装◆ 关于空调水系统安装◆ 关于减振降噪◆ 关于空调系统保温◆ 关于暖通设备安装◆ 关于泳池、SAP结露◆ 关于地下车库综合管线布置的◆ 关于室外空调(或热力)水管敷设接触过施工方的人都知道他们是非常‘狡...
最新回复: 2021-01-05 
发表于2018-04-26
5047人浏览
1人跟帖
风机盘管主要由风机,换热盘管和机壳组成,按风机盘管机外静压可分为标准型和高静压型、按换热盘管排数可分为两排和三排,换热盘管一般是采用铜管串铝翅片,铜管外径为10~16mm,翅片厚度约0.15~0.2mm,间距2.0~3.0mm,风机一...
最新回复: 2021-01-04 
发表于2020-12-29
29人浏览
居住环境舒适与否,除了空气中的悬浮颗粒物以及游离分子含量会造成呼吸道疾病外,与空气湿度也有着不可分割的关系。一般来说,人体最适宜的湿度环境在40%-60%之间。如果空气湿度过高,室内过于潮湿,容易滋生细菌,家居电器也容...
最新回复: 2020-12-29 
发表于2020-12-25
130人浏览
风机盘管主要由风机,换热盘管和机壳组成,按风机盘管机外静压可分为标准型和高静压型、按换热盘管排数可分为两排和三排,换热盘管一般是采用铜管串铝翅片,铜管外径为10~16mm,翅片厚度约0.15~0.2mm,间距2.0~3.0mm,风机一...
最新回复: 2020-12-25 