关于采暖、供暖,各位难道不想说点啥吗。不知道怎么设计,施工出现了问题,来这里通通给你解决!
- 54968成员
- 12018主题
- 63380回复
- 0热度

发表于2021-07-20
71人浏览
1人跟帖
1引言在空调系统设计中,冷热源的方案选择由于其关系到一次投资及运行管理费用的大小而倍受关注,对于采用集中空调系统的工业及民用建筑的冷热源,笔者认为采用冷水机组加燃油(气)热水锅炉不失为是一优选的冷热源方案。夏季采...
最新回复: 2021-07-20 
发表于2021-02-24
153人浏览
1人跟帖
收录于话题 一、室内外设计参数 ※tn=28℃(池水温度26℃) ψn=70%,iN=16.8kcal/kg,dN=16.6g/kg,tD=22℃ψn=80%,iN=18.3kcal/kg,dN=19.1g/kg,tD=24.5℃ 注:tn室内空气干球温度ψn室内空气相对湿度iN室内空气焓值dN室...
最新回复: 2021-07-19 
发表于2019-01-02
1624人浏览
3人跟帖
在石油化工装置中,法兰是管道、管件、阀门、仪表和设备等进行连接的最重要、最常见的形式之一。这种连接虽具有拆卸方便且不用动火等优点,但因由法兰、螺栓、垫片三者协同实现密封,其中任一元件出现问题就会造成泄漏,不仅造成...
最新回复: 2021-07-19 
发表于2021-07-15
194人浏览
1人跟帖
现在很多人装修时都喜欢跟风,别人家怎么装自己家就照着做。但实际上这么做适不适合自己家却不知道。就比如地暖与暖气很多人不知道它们真正的差别,致使装完修才发现后悔。家里装修时我们难免都会遇到一些需要抉择的地方。就比如...
最新回复: 2021-07-15 
发表于2021-07-14
173人浏览
1人跟帖
锅炉就是利用燃料燃烧释放出的热能或用其他形式的热能将工质(水或其它流体)加热到一定参数(压力、温度)的设备。它由锅和炉两大部分组成。锅是指吸收热量并传给工质的受热面系统,炉是将燃料的化学能转变为热能的燃烧设备。锅...
最新回复: 2021-07-14 
发表于2021-07-14
100人浏览
1人跟帖
1、编制依据1.1《燃气锅炉房基础图》(F6971S-T0402-02)1.2《建筑施工手册》(第四版)1.3《工程建设标准强制性条文》房屋建筑部分2009年版1.4《电力建设安全工作规程》第一部分:火力发电厂(DL5009.1-2002)1.5《电力建设施工...
最新回复: 2021-07-14 
发表于2021-07-12
11人浏览
《建筑研习堂》联播指南《建筑研习堂》是中国建筑科学研究院有限公司建研科技股份有限公司教育创新中心、中国建筑文化研究会建筑设计创新委员会、北京土木建筑学会建筑 设计委员会、北京土木建筑学会建筑材料分会、筑龙学社、 联...
最新回复: 2021-07-12 
发表于2021-07-06
549人浏览
1人跟帖
区域供热系统热电联产系统地热水供暖系统即热式生活热水系统即热式特点:可保证用户随时随地均有热水供应,系统紧凑,无需储罐,需要较大的锅炉容量需要较大的热交换器。半即热式生活热水系统半即热式特点:需要较小的锅炉容量,需...
最新回复: 2021-07-06 
发表于2021-07-02
16人浏览
到了冬天,南方朋友就开始频频抱怨没有集中供暖的室内,靠小太阳、油汀等设备取暖的不适,要么不够热,要么太干燥,在舒适度上总是无法满足需求。现在,很多朋友选择安装地暖系统,打开暖气就能享受一个温暖的冬季。但是地暖更适...
最新回复: 2021-07-02 
发表于2021-06-30
161人浏览
1人跟帖
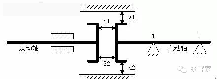
1、泵对中的重要性 泵和电机的联轴器所连接的两根轴的旋转中心应严格的同心,联轴器在安装时必须精确地找正、对中,否则将会在联轴器上引起很大的应力,并将严重地影响轴、轴承和轴上其他零件的正常工作,甚至引起整台机器和基础...
最新回复: 2021-06-30 
发表于2021-06-30
30人浏览
1人跟帖
正常运行中的锅炉如果发生爆管,就得被迫停运抢修,极大的影响的生产和生活。所以锅炉爆管是锅炉运行的重大安全隐患,做好预防手段和检测措施,是非常非常非常必须的。锅炉爆管的十四种原因 锅炉爆管是指锅炉在运行中热交换面中...
最新回复: 2021-06-30 
发表于2021-06-28
299人浏览
1人跟帖
锅炉就是利用燃料燃烧释放出的热能或用其他形式的热能将工质(水或其它流体)加热到一定参数(压力、温度)的设备。它由锅和炉两大部分组成。锅是指吸收热量并传给工质的受热面系统,炉是将燃料的化学能转变为热能的燃烧设备。锅...
最新回复: 2021-06-28 
发表于2021-06-28
197人浏览
1人跟帖
真空与沸点:真空状态:比正常大气压低的状态。锅炉分类:承压锅炉,锅炉内部水汽压力大于正常大气压;常压锅炉,锅炉内部水汽压力等于正常大气压;真空锅炉,锅炉内部水汽压力小于正常大气压;真空锅炉本体负压,但接管承压(原...
最新回复: 2021-06-28 
发表于2021-05-06
991人浏览
2人跟帖
先来几张专业传统款的中央空调系统,先水冷接着风冷。1、水冷机组+AHU/FCU2、风冷热泵+AHU/FCU3、平时情况的风系统4、新冠时期的运行模式建议和常规看着差不多,其实主要就是不回风或增加紫外杀菌。5、冷却塔水系统图6、热泵原理...
最新回复: 2021-06-27 
发表于2016-12-02
2665人浏览
3人跟帖
笔者通过进行的本次项目――上饶某医院洁净手术室净化空调系统设计方案设计,笔者对空调系统的设计原理、设计思路、设计计算等过程有了一个很大的认识和提高,它使笔者于今后的设计过程中有一个清晰的设计思路、明确的设计原理及...
最新回复: 2021-06-27 
发表于2021-06-24
204人浏览
1人跟帖
国家标准镀锌要求金属表面的镀锌做为一种重要的表面保护和防锈、防腐措施,是应用最广且经济、有效的手段,我们机电工程施工的材料设备中经常遇到。一般的薄钢板、钢管类(包括水煤气钢管、无缝管、螺旋管、GDJ线管等)、桥架类...
最新回复: 2021-06-24 
发表于2021-06-16
451人浏览
2人跟帖
<(1)按热水供应系统范围选择系统(2)按热水管网循环方式选择系统(3)按热水管网循环水泵运行方式选择系统来源:给排水设计圈仅作分享交流如有侵权,请联系删除
最新回复: 2021-06-23 
发表于2019-06-03
2811人浏览
3人跟帖
《绿色建筑评价标准》GB/T50378-2019正式稿已公开发布要点分析要点1评价方式和阶段的变化要点2评价体系的变化要点3星级划分的变化要点4增加了对不同星级的技术要求要点5评分体系的变化要点6模拟计算相关条文变化一览表要点7室外...
最新回复: 2021-06-23 
发表于2006-03-09
4182人浏览
9人跟帖
功能模块:1.营运通风分析模块:包括交通量和交通组成分析、各种工况状态下的需风量计算(单向交通、双向交通、交通阻滞、换气次数、火灾等)、纵向通风分析(纯射流、集中送入、竖井排出、单竖井和多竖井送排式结合射流风机通风等...
最新回复: 2021-06-21 
发表于2021-06-16
609人浏览
2人跟帖
管道安装流程管道安装设计要求1.空调水系统中管道系统的最低点,应配置DN25泄水管并安装同口径闸阀。管道系统的最高点应配置E121型自动排气阀,口径为DN20并配同口径闸阀。2.每台水泵的进水管上应安装闸阀或碟阀,压力表和Y型过...
最新回复: 2021-06-20 