teuk
发表于2010-06-18
2519人浏览
1人跟帖
等级:
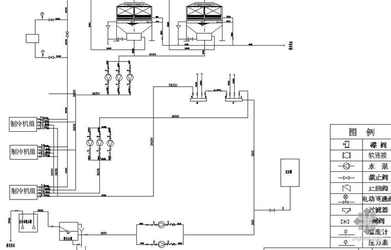
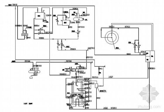
来自:暖通节点详图 